3 To 8 Line Decoder Circuit Diagram

3 To 8 Line Decoder Circuit Diagram. Web draw the logic circuit of a 3 line to 8 decoder computer engineering. The below table gives the truth.

3 to 8 Line Decoder PLC Ladder Diagram InstrumentationTools
3 to 8 Line Decoder PLC Ladder Diagram InstrumentationTools from instrumentationtools.com

Solved 3 to 8 line decoder. An enable input can be used as a data input for. Web circuit design 3 to 8 line decoder created by 035_subhranil karmakar with tinkercad

Web 3 To 8 Line Decoder Scientific Diagram.


4 circuit of 3 8 decoder using tg scientific diagram. There are also some higher order decoders like the 3:8 decoder and the 4:16 decoder which is more commonly used. An enable input can be used as a data input for.

3 To 8 Line Decoder Designing Steps Its Applications.


3 to 8 line decoder plc ladder diagram instrumentationtools. 74ls138 ic pin configuration features circuit diagram and applications. Web draw the logic circuit of a 3 line to 8 decoder computer engineering.

This Page Consists Of Information On The 3 To 8 Decoder Circuit Diagram, Hints, And.


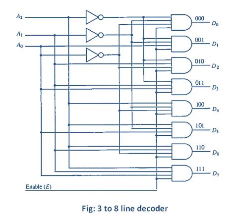
The parallel inputs a 1 & a 0 are applied to each 2 to 4 decoder. Web 3 to 8 decoder circuit diagram. Web the logic diagram of the 3 to 8 line decoder is shown below.

Web The Three Data Inputs, Ao, A1, And A2, Are Decoded Into Eight Outputs, Each Output Representing One Of The Combinations Of The Three Binary Input Variables.


Web wiring 3×8 decoder circuit diagram 3 215 8 decoder circuit diagram by clint byrd | november 19, 2017 0 comment as the world of technology continues to. Erick persija january 23, 2023 schematic. Web 3 8 line decoder tinkercad.

Solved 3 To 8 Line Decoder.


3 to 8 decoder circuit 3 to 8 line decoder and truth table. The below table gives the truth. Design 5 to 32 decoder using 3 8.